Σελίδα 2 από 3 ΠρώτηΠρώτη 123 ΤελευταίαΤελευταία
Εμφάνιση αποτελεσμάτων : 11 έως 20 από 29
  1. #11
    Το avatar του χρήστη spiroscfu
    Μέλος
    Όνομα
    Σπύρος
    Εγγραφή
    Aug 2010
    Περιοχή
    Κέρκυρα
    Μηνύματα
    1.046

    Προεπιλογή

    Πάρα πολύ κατασκευαστές επαγγελματικών ηχείων χρησιμοποιούν λάμπες πυρακτώσεως η ptc, δες το pdf παρακάτω που αναφέρεται στο τελευταίο.
    http://www.bourns.com/pdfs/AppNotes_LSCN.pdf

    Και δυο κυκλώματα που είχα με τρανζίστορ που πάλι το ένα χρησιμοποιεί λάμπα.

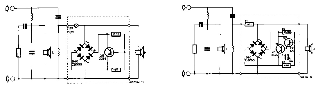
    Πατήστε στην εικόνα για να τη δείτε σε μεγένθυνση Όνομα:  tweeter_protection.jpg Εμφανίσεις:  3320 Μέγεθος:  70,8 KB

  2. #12

    Μέλος
    Όνομα
    Νίκος
    Εγγραφή
    May 2006
    Περιοχή
    Πτολεμαΐδα
    Μηνύματα
    278

    Προεπιλογή

    Η λάμπα δεν "ρίχνει" καθόλου τον ενισχυτή?
    Αυτό με το pct μ'άρεσε! Νομίζω κάτι τέτοιο κάνουν και αυτά που έχω.. Μετα απο ώρα στο τέρμα, έπεφτε η απόδοση των κόρνων και αναρωτιόμουν γιατί...
    Πως το ρυθμίζω να σταματάει σε συγκεκριμένη στάθμη και πως θα είμαι σίγουρος πως αυτή η στάθμη δεν είναι βλαβερή για τις κόρνες μου?

    Βρήκα και αυτό:loudspeaker protector r.pdf

    Το ρελέ τι ρόλο βαράει? Μήπως αντικαθιστά την λάμπα?

    Να πω ότι οι κόρνες μου είναι οι celestion hf50 και είναι 50W στα 16Ω
    Ο ενισχυτής είναι 350Wrms @ 8Ω και 525Wrms @ 4Ω.
    Τα Woofer είναι 400Wrms @ 8Ω
    Τελευταία επεξεργασία από το χρήστη PCMan : 24-06-11 στις 05:24

  3. #13

    Μέλος
    Όνομα
    Δημήτρης
    Εγγραφή
    May 2005
    Περιοχή
    Αθήνα
    Μηνύματα
    219

    Προεπιλογή

    Παράθεση Αρχικό μήνυμα από PCMan Εμφάνιση μηνυμάτων
    Η λάμπα δεν "ρίχνει" καθόλου τον ενισχυτή?
    Αυτό με το pct μ'άρεσε! Νομίζω κάτι τέτοιο κάνουν και αυτά που έχω.. Μετα απο ώρα στο τέρμα, έπεφτε η απόδοση των κόρνων και αναρωτιόμουν γιατί...
    Πως το ρυθμίζω να σταματάει σε συγκεκριμένη στάθμη και πως θα είμαι σίγουρος πως αυτή η στάθμη δεν είναι βλαβερή για τις κόρνες μου?

    Βρήκα και αυτό:loudspeaker protector r.pdf

    Το ρελέ τι ρόλο βαράει? Μήπως αντικαθιστά την λάμπα?

    Να πω ότι οι κόρνες μου είναι οι celestion hf50 και είναι 50W στα 16Ω
    Ο ενισχυτής είναι 350Wrms @ 8Ω και 525Wrms @ 4Ω.
    Τα Woofer είναι 400Wrms @ 8Ω
    Ούτε που τον γαργαλάει τον ενισχυτή, για αυτό η λάμπα μπαίνει μετά τον πυκνωτή....
    Κάνε ότι σου είπα και δεν θα το μετανιώσεις....
    Μην ψάχνεις να βρείς κάτι το πολύπλοκο με τρανζίστορ κλπ για να είσαι "σίγουρος".... Αυτή τη πατέντα την κάνει χρόνια τώρα η Beyma, Celestion, Peavey, JBL κλπ στα επαγγελματικά τους ηχεία με ένα απλό πηνίο, πυκνωτή και μια λάμπα 12v/5w, επίσης θυμάμαι τα πρώτα μου ηχεία Technics είχαν πίσω στους κονέκτορες της εισόδου απο τον ενισχυτή μια "ηλεκτρονική ασφάλεια" που δεν ήταν τίποτα άλλο απο έναν κλασικό ρελέ 0.8Α που όταν ξεπερνούσε τα επιθυμητά επίπεδα ισχύος στο τουίτερ άνοιγε η ασφάλεια και έπρεπε να πατήσεις το κουμπάκι για να κλείσει και να παίξει το τουίτερ (Κοίτα να δεις πατέντα οι Ιάπωνες στα '80s).

    Το κυκλωματάκι που ανέβασες αν κατάλαβα καλά μόλις "διαβάσει" παραπάνω τάση/ρεύμα απο αυτό που "ορίζει" η αντίσταση R2 τότε "ανοίγει" το ρελέ για να κόψει την παροχή στο μεγάφωνο και μόλις επανέλθει η ισχύς στα επιθυμητά επίπεδα τότε ξανακλείνει το ρελέ.
    Τελευταία επεξεργασία από το χρήστη Danza : 24-06-11 στις 08:18

  4. #14
    Το avatar του χρήστη spiroscfu
    Μέλος
    Όνομα
    Σπύρος
    Εγγραφή
    Aug 2010
    Περιοχή
    Κέρκυρα
    Μηνύματα
    1.046

    Προεπιλογή

    Αυτό με το pct μ'άρεσε! Νομίζω κάτι τέτοιο κάνουν και αυτά που έχω.. Μετα απο ώρα στο τέρμα, έπεφτε η απόδοση των κόρνων και αναρωτιόμουν γιατί...
    Ναι νίκο κάπως έτσι δουλεύει


    Το ρελέ τι ρόλο βαράει? Μήπως αντικαθιστά την λάμπα?
    Όχι απλά ελέγχει την τάση εισόδου και αν ξεπεράσει τα όρια που εμείς έχουμε ορίσει κόβει την κόρνα-tweeter


    Πως το ρυθμίζω να σταματάει σε συγκεκριμένη στάθμη και πως θα είμαι σίγουρος πως αυτή η στάθμη δεν είναι βλαβερή για τις κόρνες μου?
    Να πω ότι οι κόρνες μου είναι οι celestion hf50 και είναι 50W στα 16Ω
    Με τις τιμή της R2 και η στάθμη που θέλεις την βρίσκεις με τον sqrt(v)=r*p =>16*50=800 =>v=sqrt(800) =>28,3V
    δηλ. 28,3V είναι η μέγιστη επιτρεπόμενη τάση που η κόρνα σου δεν θα έχει πρόβλημα.

  5. #15
    Το avatar του χρήστη leosedf
    Συντονιστής
    Όνομα
    Κωνσταντίνος
    Εγγραφή
    Jan 2004
    Περιοχή
    Θεσσαλονίκη
    Μηνύματα
    1.268

    Προεπιλογή

    http://www.bcspeakers.com/PDF/SUGG/SGG_43.pdf δές και αυτό το pdf. Το προτείνει η εταιρία και το ίδιο σχέδιο χρησιμοποιούν και άλλες (που προμηθεύονται μεγάφωνα απο αυτούς) π.χ. η HK Audio και άλλες διάφορες. Τέρμα κάτω στο αρχείο.
    Το έχω δοκιμάσει και λειτουργεί άψογα προστατεύοντας πάντα, απλό και σταθερό σαν βράχος. Έχει και άλλα για πιό μεγάλη ισχύ φυσικά αν ψάξεις.
    Γνώμη μου είναι να βάλεις κάτι απλό.
    900MHz-64GHz

  6. #16

    Μέλος
    Όνομα
    Νίκος
    Εγγραφή
    May 2006
    Περιοχή
    Πτολεμαΐδα
    Μηνύματα
    278

    Προεπιλογή

    Παράθεση Αρχικό μήνυμα από leosedf Εμφάνιση μηνυμάτων
    http://www.bcspeakers.com/PDF/SUGG/SGG_43.pdf δές και αυτό το pdf. Το προτείνει η εταιρία και το ίδιο σχέδιο χρησιμοποιούν και άλλες (που προμηθεύονται μεγάφωνα απο αυτούς) π.χ. η HK Audio και άλλες διάφορες. Τέρμα κάτω στο αρχείο.
    Το έχω δοκιμάσει και λειτουργεί άψογα προστατεύοντας πάντα, απλό και σταθερό σαν βράχος. Έχει και άλλα για πιό μεγάλη ισχύ φυσικά αν ψάξεις.
    Γνώμη μου είναι να βάλεις κάτι απλό.
    Με μπερδέψατε ρε παιδιά...
    Κατ αρχήν βάζοντας αυτό θα αλλάξει και η συχνότητα που παίζει η κόρνα. Δεν ξέρω όμως άμα αρέσουν στην κόρνα μου αυτές οι συχνότητες...

    Αντε να μην φτιάξω αυτές που έχω.
    Να φτιάξω με λαμπάκι, με λαμπάκι και τρανζίστορ, με ptc ή εκείνο με το ρελέ?
    Αν βάλω λαμπάκι, τί λαμπάκι να βάλω? 5W που λέει ο δημήτρης, 36W που λέει η b&c ή 18W που λέει ο σπύρος?
    Πως θα είμαι σίγουρος ότι πρώτα θα καεί το λαμπάκι και μετά η κόρνα?

    Με ptc μάρεσε πιό πολύ γιατί δεν καίγεται κάτι(δεν μένεις απο πρίμα) και δεν πρέπει να ξηλώσεις το ηχείο για να ξαναπαίξει. Απλά ρυθμίζει αυτό πόσο δυνατά θα παίξει!

    Και με ρελέ απ'ότι κατάλαβα καλό είναι. Παίζει τέρμα και όταν δει μεγάλη στάθμη, σταματάει να παίζει. Μόλις χαμηλώσεις ξαναπαίζει(σε ανίθεση με την λάμπα που θα έχει καεί και θα χρειαστεί αλλαγή για να ξαναπαίξει)

    Τι απο τα αυτά και γιατί?
    Εγώ ψηφίζω ptc.

  7. #17
    Το avatar του χρήστη spiroscfu
    Μέλος
    Όνομα
    Σπύρος
    Εγγραφή
    Aug 2010
    Περιοχή
    Κέρκυρα
    Μηνύματα
    1.046

    Προεπιλογή

    Ένα ένα.
    α. Με ptc νομίζω πως είναι σωστότερο από την λάμπα.
    β. Την λάμπα δεν την έχουμε για να κάει στο peak απλά για να μειώσει το ρεύμα που θα περάσει μέσα από την κόρνα (όσο μεγαλώνει η τάση στα άκρα της λάμπας μεγαλώνει και η αντίσταση της, εώς ένα ορισμένο σημείο φυσικά)
    γ. Τα watt της λάμπας τα επιλέγουμε σύμφωνα με την ισχύ-αντίσταση της κόρνας και την αντίσταση της λάμπας που θα χρησιμοποιήσουμε (για ποιο εύκολα σε κρύα κατάσταση)
    για τα δικά σου δεδομένα ας πούμε Vκορνας=28,3V και Rκορνας=16Ω =>Ικόρνας_max=28,3/16=1,8A
    και στο περίπου Wλαμπας=I^2*Rλάμπας => 3,24*0,82(στο περίπου η αντίσταση της λάμπας σε κρύα κατάσταση)=2,65W δηλ μια λάμπα από 5W και πάνω σου είναι οκ.
    φυσικά έχει σχέση και το σημείο που θα είναι συνδεμένη η λάμπα στα παραπάνω είναι κατευθείαν σε σειρά με την κόρνα, ακόμα ένα άλλο πράγμα που πρέπει να έχεις υπόψιν είναι ότι όσο ποιο πολλά watt είναι η λάμπα τόσα περισσότερη ισχύ θα παίρνει και η κόρνα (αν βάλεις μια λάμπα 100W η προστασία θα είναι ελάχιστη)
    δ. Το ρελέ έχει τα καλά του και τα κακά του, τα καλά είναι προφανή προστατεύει την κόρνα απο overload, τα κακά είναι ότι την ώρα που θα ανοίγει (overload protection) δεν θα υπάρχει φορτίο στο crossover παρά μόνο το πηνίο.
    στα παραπάνω κυκλώματα που σου έβαλα η λάμπα και η αντίσταση παίζει και το ρόλο το φορτίου.
    Το ptc όντως φαντάζει καλύτερο,

    ρίξε και μια ματιά σε αυτό θα καταλάβεις αρκετά πράγματα αν το προσέξεις http://www.bcae1.com/2ltlpwr.htm








    Τελευταία επεξεργασία από το χρήστη spiroscfu : 25-06-11 στις 21:24

  8. #18

    Μέλος
    Όνομα
    Νίκος
    Εγγραφή
    May 2006
    Περιοχή
    Πτολεμαΐδα
    Μηνύματα
    278

    Προεπιλογή

    Ωραία.
    Αρα αφού καταλήξαμε, τώρα πρέπει να δω πως θα το κατασκευάσω.

    Έχουμε δηλαδή αυτό το κύκλωμα


    Μπορείς να μου πεις ακριβώς τις τιμές των εξαρτημάτων?
    Το πηνίο πως το φτιάχνω?
    Το PTC έχει συγκεκριμένα χαρακτηριστικά η βάζω ότι θέλω(επειδή έχω ένα καινούριο αλλα δεν ξέρω αν κάνει).
    Συνημμένα Thumbnails Συνημμένα Thumbnails Πατήστε στην εικόνα για να τη δείτε σε μεγένθυνση Όνομα:  crossnew.jpg Εμφανίσεις:  7 Μέγεθος:  73,6 KB  

  9. #19

    Μέλος
    Όνομα
    Δημήτρης
    Εγγραφή
    May 2005
    Περιοχή
    Αθήνα
    Μηνύματα
    219

    Προεπιλογή

    Παράθεση Αρχικό μήνυμα από spiroscfu Εμφάνιση μηνυμάτων
    Ένα ένα.
    α. Με ptc νομίζω πως είναι σωστότερο από την λάμπα.

    Σωστός απλά η λάμπα είναι απλή μέθοδος και αξιόπιστη θα έλεγα, με 400rms/κανάλι που έχει ο Νίκος δεν τον απασχολεί η τέλεια απόδοση φαντάζομαι ούτε θέλει να ακούει την λίμνη των κύκνων. Αλλιώς θα την ψάχναμε για ενεργές καταστάσεις η πολύπλοκο ποιοτικό παθητικό crossover.

    β. Την λάμπα δεν την έχουμε για να κάει στο peak απλά για να μειώσει το ρεύμα που θα περάσει μέσα από την κόρνα (όσο μεγαλώνει η τάση στα άκρα της λάμπας μεγαλώνει και η αντίσταση της, εώς ένα ορισμένο σημείο φυσικά)

    Η λάμπα "απορροφάει" την παραπανίσια ισχύ που πάει στην κόρνα. Σε κλαμπάκια θα πηγαίνεις φαντάζομαι, παρακολούθα τα ηχεία μπορεί να δείς κανένα με λάμπα να φαίνεται μέσα απο το Aero Port όταν ανάβει, ανάβει μόνο στα πρίμα και αν γίνει κάποιο overload στην κόρνα τότε απορροφάει την ισχύ το λαμπάκι και καίγεται.


    γ.
    Τα watt της λάμπας τα επιλέγουμε σύμφωνα με την ισχύ-αντίσταση της κόρνας και την αντίσταση της λάμπας που θα χρησιμοποιήσουμε (για ποιο εύκολα σε κρύα κατάσταση)
    για τα δικά σου δεδομένα ας πούμε Vκορνας=28,3V και Rκορνας=16Ω =>Ικόρνας_max=28,3/16=1,8A
    και στο περίπου Wλαμπας=I^2*Rλάμπας => 3,24*0,82(στο περίπου η αντίσταση της λάμπας σε κρύα κατάσταση)=2,65W δηλ μια λάμπα από 5W και πάνω σου είναι οκ.
    φυσικά έχει σχέση και το σημείο που θα είναι συνδεμένη η λάμπα στα παραπάνω είναι κατευθείαν σε σειρά με την κόρνα, ακόμα ένα άλλο πράγμα που πρέπει να έχεις υπόψιν είναι ότι όσο ποιο πολλά watt είναι η λάμπα τόσα περισσότερη ισχύ θα παίρνει και η κόρνα (αν βάλεις μια λάμπα 100W η προστασία θα είναι ελάχιστη)

    Πολύ σωστός!


    δ.
    Το ρελέ έχει τα καλά του και τα κακά του, τα καλά είναι προφανή προστατεύει την κόρνα απο overload, τα κακά είναι ότι την ώρα που θα ανοίγει (overload protection) δεν θα υπάρχει φορτίο στο crossover παρά μόνο το πηνίο.
    στα παραπάνω κυκλώματα που σου έβαλα η λάμπα και η αντίσταση παίζει και το ρόλο το φορτίου.
    Το ptc όντως φαντάζει καλύτερο,

    Σε συνδεσμολογία παθητικού κροσσόβερ αν ανοίξει το ρελέ και διακόψει το ρεύμα στην κόρνα δεν μας απασχολεί γιατί ο ενισχυτής θα "βλέπει" το φορτίο του woofer, όπως αυτό βλέπει συνέχεια γιατί όταν παρεμβάλεται πυκνωτής τότε η αντίσταστη απλά δεν υπάρχει. Το πρόβλημα θα ήταν αν έπαιζε με ενεργό crossover και κοβόταν η παροχή στην κόρνα, τότε ναι θα υπήρχε πρόβλημα και σοβαρό θα έλεγα ειδικά σε μεγάλη ένταση γιατί ο ενισχυτής θα έπαιζε στον "αέρα".

    ρίξε και μια ματιά σε αυτό θα καταλάβεις αρκετά πράγματα αν το προσέξεις http://www.bcae1.com/2ltlpwr.htm








    Νίκο αυτό το σχεδιάγραμμα που έχεις ανεβάσει καλό θα έλεγα αλλά δεν προτείνει μια συγκεκριμένη τιμή για τους πυκνωτές.... Το ξέρεις φαντάζομαι οτι θα κολλήσεις/ξεκολλήσεις αρκετούς πυκνωτές για να βρείς την απόδοση που σου αρέσει....

  10. #20
    Το avatar του χρήστη spiroscfu
    Μέλος
    Όνομα
    Σπύρος
    Εγγραφή
    Aug 2010
    Περιοχή
    Κέρκυρα
    Μηνύματα
    1.046

    Προεπιλογή

    Παράθεση Αρχικό μήνυμα από PCMan Εμφάνιση μηνυμάτων
    Ωραία.
    Αρα αφού καταλήξαμε, τώρα πρέπει να δω πως θα το κατασκευάσω.

    Έχουμε δηλαδή αυτό το κύκλωμα


    Μπορείς να μου πεις ακριβώς τις τιμές των εξαρτημάτων?
    Το πηνίο πως το φτιάχνω?
    Το PTC έχει συγκεκριμένα χαρακτηριστικά η βάζω ότι θέλω(επειδή έχω ένα καινούριο αλλα δεν ξέρω αν κάνει).
    Δεν χρειάζεται να κατασκευάσεις κάποιο καινούριο κύκλωμα, απλά κάνεις κάποια modification στο δικό σου
    αν πάλι θέλεις να φτιάξεις ένα νέο HPF σου έχω πει πως ποιο πίσω,
    εδώ έχει και τους τύπους υπολογισμού των υλικών http://www.hlektronika.gr/forum/showthread.php?t=56454, τώρα για το πηνίο υπάρχουν τύποι που υπολογίζεις σπείρες και διάμετρο αλλά για να γίνει σωστό πρέπει να έχεις και ένα πηνιόμετρο.
    Το ptc που χρειάζεσαι έιναι ένα όσο γίνεται ποιο μικρό σε αντίσταση κρύο και μια τιμή Minimum Switching Current (Is) κάπου στο 1,5Α (από εκεί και πάνω θα ανεβαίνει η αντίσταση του)


    Δημήτρη δεν ισχύει αυτό:
    Σε συνδεσμολογία παθητικού κροσσόβερ αν ανοίξει το ρελέ και διακόψει το ρεύμα στην κόρνα δεν μας απασχολεί γιατί ο ενισχυτής θα "βλέπει" το φορτίο του woofer, όπως αυτό βλέπει συνέχεια γιατί όταν παρεμβάλεται πυκνωτής τότε η αντίσταστη απλά δεν υπάρχει. Το πρόβλημα θα ήταν αν έπαιζε με ενεργό crossover και κοβόταν η παροχή στην κόρνα, τότε ναι θα υπήρχε πρόβλημα και σοβαρό θα έλεγα ειδικά σε μεγάλη ένταση γιατί ο ενισχυτής θα έπαιζε στον "αέρα".
    γιατί τα peak που διαχειρίζεται το κύκλωμα είναι σε υψυλές συχνότητες που αποκόπτονται από το LPF του woofer και έτσι ο ενισχυτής δεν βλέπει φορτίο εκείνη την στιγμή (παρά μόνο το πηνίο και το πυκνωτή)
    Τελευταία επεξεργασία από το χρήστη spiroscfu : 26-06-11 στις 19:57

Σελίδα 2 από 3 ΠρώτηΠρώτη 123 ΤελευταίαΤελευταία

Παρόμοια Θέματα

  1. Πως λέγεται ? (καμμένο εξάρτημα)
    από billys7 στο forum Ερωτήσεις & Συμβουλές
    Απαντήσεις: 9
    Τελευταίο Μήνυμα: 26-04-09, 14:28
  2. laptop καμμένο?
    από Nemmesis στο forum Υπολογιστές & Περιφερειακά
    Απαντήσεις: 12
    Τελευταίο Μήνυμα: 21-11-08, 20:07

Δικαιώματα - Επιλογές

  • Δημιουργία θεμάτων: Όχι
  • Υποβολή μηνυμάτων: Όχι
  • Σύναψη αρχείων: Όχι
  • Επεξεργασία μηνυμάτων: Όχι
  •  
  • BB code: σε λειτουργία
  • Smilies: σε λειτουργία
  • [IMG]: σε λειτουργία
  • [VIDEO] code is σε λειτουργία
  • HTML: εκτός λειτουργίας