Ένα ένα.
α. Με ptc νομίζω πως είναι σωστότερο από την λάμπα.
Σωστός απλά η λάμπα είναι απλή μέθοδος και αξιόπιστη θα έλεγα, με 400rms/κανάλι που έχει ο Νίκος δεν τον απασχολεί η τέλεια απόδοση φαντάζομαι ούτε θέλει να ακούει την λίμνη των κύκνων. Αλλιώς θα την ψάχναμε για ενεργές καταστάσεις η πολύπλοκο ποιοτικό παθητικό crossover.
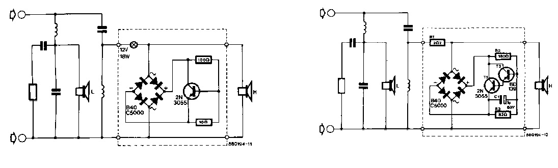
β. Την λάμπα δεν την έχουμε για να κάει στο peak απλά για να μειώσει το ρεύμα που θα περάσει μέσα από την κόρνα (όσο μεγαλώνει η τάση στα άκρα της λάμπας μεγαλώνει και η αντίσταση της,
εώς ένα ορισμένο σημείο φυσικά)
Η λάμπα "απορροφάει" την παραπανίσια ισχύ που πάει στην κόρνα. Σε κλαμπάκια θα πηγαίνεις φαντάζομαι, παρακολούθα τα ηχεία μπορεί να δείς κανένα με λάμπα να φαίνεται μέσα απο το Aero Port όταν ανάβει, ανάβει μόνο στα πρίμα και αν γίνει κάποιο overload στην κόρνα τότε απορροφάει την ισχύ το λαμπάκι και καίγεται.
γ. Τα watt της λάμπας τα επιλέγουμε σύμφωνα με την ισχύ-αντίσταση της κόρνας και την αντίσταση της λάμπας που θα χρησιμοποιήσουμε (για ποιο εύκολα σε κρύα κατάσταση)
για τα δικά σου δεδομένα ας πούμε Vκορνας=28,3V και Rκορνας=16Ω =>Ικόρνας_max=28,3/16=1,8A
και στο περίπου Wλαμπας=I^2*Rλάμπας => 3,24*0,82(στο περίπου η αντίσταση της λάμπας σε κρύα κατάσταση)=2,65W
δηλ μια λάμπα από 5W και πάνω σου είναι οκ.
φυσικά έχει σχέση και το σημείο που θα είναι συνδεμένη η λάμπα στα παραπάνω είναι κατευθείαν σε σειρά με την κόρνα, ακόμα ένα άλλο πράγμα που πρέπει να έχεις υπόψιν είναι ότι όσο ποιο πολλά watt είναι η λάμπα τόσα περισσότερη ισχύ θα παίρνει και η κόρνα (αν βάλεις μια λάμπα 100W η προστασία θα είναι ελάχιστη)
Πολύ σωστός!
δ. Το ρελέ έχει τα καλά του και τα κακά του, τα καλά είναι προφανή προστατεύει την κόρνα απο overload, τα κακά είναι ότι την ώρα που θα ανοίγει (overload protection)
δεν θα υπάρχει φορτίο στο crossover παρά μόνο το πηνίο.
στα παραπάνω κυκλώματα που σου έβαλα η λάμπα και η αντίσταση παίζει και το ρόλο το φορτίου.
Το ptc όντως φαντάζει καλύτερο,
Σε συνδεσμολογία παθητικού κροσσόβερ αν ανοίξει το ρελέ και διακόψει το ρεύμα στην κόρνα δεν μας απασχολεί γιατί ο ενισχυτής θα "βλέπει" το φορτίο του woofer, όπως αυτό βλέπει συνέχεια γιατί όταν παρεμβάλεται πυκνωτής τότε η αντίσταστη απλά δεν υπάρχει. Το πρόβλημα θα ήταν αν έπαιζε με ενεργό crossover και κοβόταν η παροχή στην κόρνα, τότε ναι θα υπήρχε πρόβλημα και σοβαρό θα έλεγα ειδικά σε μεγάλη ένταση γιατί ο ενισχυτής θα έπαιζε στον "αέρα".
ρίξε και μια ματιά σε αυτό θα καταλάβεις αρκετά πράγματα αν το προσέξεις
http://www.bcae1.com/2ltlpwr.htm